Product description

Aluminum profile.

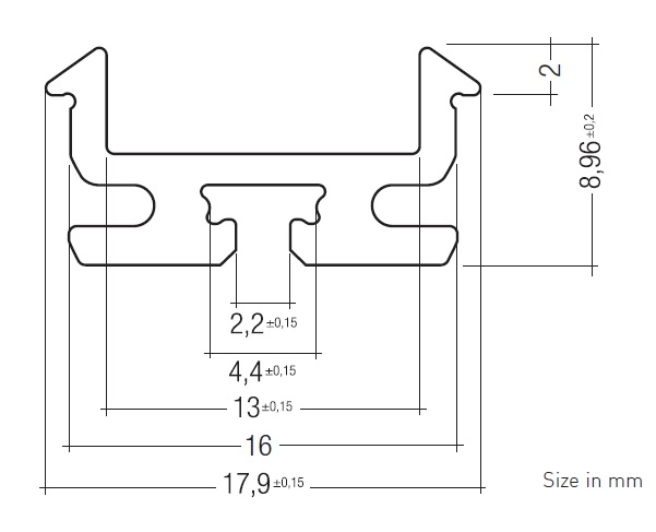
DIMENSION
17,9X8,96X6000 mm

MATERIAL
Aluminum

CONNECTION
No

TOP
Metal with screw

COVER
Opaline/Transparent

Profile